第四节 电阻的串联
利用前面学过的知识,我们也可以推导出上述的结论.我们已经知道.串联电路中各处的电流相等;串联电路两端的电压等各部分电路两端的电压之和.现在就利用这两个实验结论称欧姆定律,来推导串联电路的总电阻和各个电阻之间的关系.
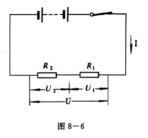
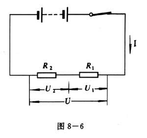
如图8-6,设串联电阻的阻值为R1.R2,串联后的总电阻为R,由于通过整个电路的电流都是I,根据欧姆定律.我们有:

U=IR,U1=IR1,U2=IR2
由于U一U1+U2
因此IR=IR1+IR2
由此得出:R=R1十R2
这表明串联电路的总电阻,等于各串联电阻之和.
现在,你一定很容易把两只5欧的电阻组成10欧的电阻了.
把几个导体串联起来,相当于增加了导体的长度,所以总电阻比任何一个导体的电阻都大.
先画出电路图(图8-8).根据串联电路中电压的关系U=U1+U2可以看出,给小灯泡串联一个电阻R2,可分去一部分电压,使小灯泡两端的电压U1为正常的工作电压2.5伏.所以R2分去的电压U2应该等于U一R2的阻值应该是多大,才能分能分去电压U2呢?根据欧姆定律,如果知道通过R2n的电流I,就可以求出R2=U2/I。

小灯泡眼跟R2是串联的,通过它们的电流相等,所以只要求出通过小灯泡的电流,就得到了通过R2的电流.已知加在小灯泡上的电压U1积小灯泡的电阻R1,根据欧姆定律就可以求出通过小灯泡的电流I=U1/R1.
相关内容:
请介绍你的同学、朋友、弟弟、妹妹等来五一电子网站,每介绍一位会员成功注册可以双方同时获得积分100。本站永久域名:http://www.51dz.com,我要电子之意!
相关广告: