7
PIC单片机源程序的固化和编程器
V101实验编程器设计合理,操作十分简单。上次已介绍了固化PIC单片机源程序部分操作,即在V101编程器上对PIC单片机的项目设置,现继续介绍固化程序的方法,其操作如下。
续上次操作,用鼠标键点击(窗口)实验编程器V101左上角的项目“文件”,可出现下拉菜单→再点击其“打开”命令,则可打开标题为“加载文件”的窗口(如图1所示)→点击该窗口中项目“搜寻[I]”右侧小窗口的“”符号,则可打开其下拉菜单→点击盘符[C:](若你的PIC单片机源程序在其它盘符,则应点击相应的盘符),则在该窗口中显示C盘的各种文件→双击“Program
Files”(程序文件),则该文件置换C盘符位置同时在大窗口中出现“Program Files”的各种文件→点击该文件窗口右侧角“”符号,找出窗口中MPLAB的文件→双击“MPLAB”,则MPLAB又置换Program
Files的位置,该MPLAB的窗口文件中找到最终需要的“PIC COUN
THEX”文件→单击PIC CPUNTHEX,则该文件再转移到文件名窗口中→再点击“打开[O]命令,则该窗口消失,出现上期图1的窗口,此时你可观察到行的数据窗口中的代码已发生了变化,现已指示出PIC
COUNTASM的程序代码→用鼠标键点击该窗口下方的“写程序”,则下方(边界上)会出现小方块从左→右的闪亮,直到闪亮结束为止。同时,窗口下角“地址:”中的数字不断变化,直到出现写配置位为止。至此,PIC
COUNTHEX目标码的固化完成。
使用实验编程器V101注意的问题:若实验编程器V101窗口的下方出现“编程错误”或“通讯失败”的提示符,应检查该编程器是否插上了电源适配器,或编程器的(活动)插座上是否插上了PIC单片机芯片16F84(或16C84)。
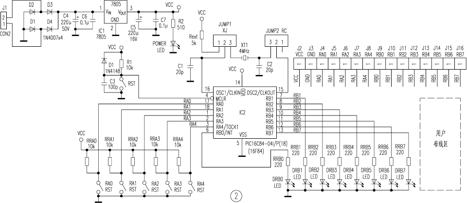
8PIC 16F84(或16C8C)实验板
与实验编程器V101相配套的实验板电路如图2所示,该实验板由以下电路组成。
实验板电源电路 该电源分两部分,其一是实验板电路电源;其二是实验板交流供电电源(外接电源适配器)。
实验板电路 由实验电路和相关的外围电路组成。但在实验插座上还需另加芯片PIC16F84(或16C84)供实验用。IC2的RA0~BA4端上分别外接电阻RRA0~RRA4和对应开关RA0/RST~RA4/RST共同组成PIC16F84端口电路(人工设置的)可设为芯片输入端。当开关按下时,各端口接地(“0”信号),释放时,各端口接高电平5V(“1”信号)。IC2的RBO~RB7端口各自外接电阻RRB0~RRB7和DRB0/LED~DRB7/LED,共同组成PIC16F84端口的LED显示电路(人工设置的)设为芯片输出端。IC24脚(MCLR)外接上电复位和人工复位电路(开关RST);IC2的{15}、{16}脚外接晶振4MHz(或用户自配不同频率的晶振)和RC电路,分别组成PIC16F84/16C84的振荡电路(供芯片时钟信号),振荡方式可由用户通过电路中的插接件JUMP
1、JUMP2转换选择。PIC16F84电源端{14}脚接Vcc/5V电源电压。整个电路元件安装在面积为140mm×80mm的印制板上。印制板上留有用户实验布线区,作为各端口外接元器件供用户做有关的实验。印制板的交流电源供电,由电源AC/AD(12~15V)适配器的插头直接插到印板的电源插座上,该电源适配器可与V101实验编程器公用,无需再单独配制。
当你编制了PIC16F84(或16C84)实验源程序并在V101实验编程器上固化了相应的HEX目标码后,立刻可把芯片16F84转插到该实验板的活动插座上看其结果。
电子报单片机公共实验室已为用户组织有全套的V101编程器和PIC16F84(或16C84)实验板,另配有RS232电缆插头线、电源适配器和相关的软件(3张V101编程器磁盘软件和3张MPLAB磁盘软件共6张磁盘),其价位很低,使用非常方便。
成都 丁锦源
货讯:610015成都市金河街75号电子报单片机公共实验室供上文中的实验编程器——V101和实验板(含附件)295元,另加邮包费20元。实验室会员在购买时,请报上会员证号,即可享受9折优惠。联系电话/传真:(028)6132792,E-mail:sys@netdzb.com
(五一电子网站没有货,请大家不要向本站咨询,另外,如果有一天以上联系方式有失效的话,请大家访问http://www.netdzb.com)
知识竞赛试题:
32请把PIC单片机源程序汇编和固化用最简方法的框图示意出来。