进入框架页面 

14. 4×4矩阵式键盘识别技术

1. 实验任务

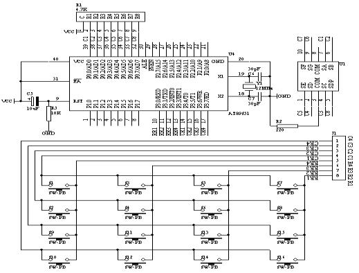
如图4.14.2所示,用AT89S51的并行口P1接4×4矩阵键盘,以P1.0-P1.3作输入线,以P1.4-P1.7作输出线;在数码管上显示每个按键的“0-F”序号。对应的按键的序号排列如图4.14.1所示

图4.14.1

2. 硬件电路原理图

图4.14.2

3. 系统板上硬件连线

(1. 把“单片机系统“区域中的P3.0-P3.7端口用8芯排线连接到“4X4行列式键盘”区域中的C1-C4 R1-R4端口上;

(2. 把“单片机系统”区域中的P0.0/AD0-P0.7/AD7端口用8芯排线连接到“四路静态数码显示模块”区域中的任一个a-h端口上;要求:P0.0/AD0对应着a,P0.1/AD1对应着b,……,P0.7/AD7对应着h。

4. 程序设计内容

(1. 4×4矩阵键盘识别处理

(2. 每个按键有它的行值和列值 ,行值和列值的组合就是识别这个按键的编码。矩阵的行线和列线分别通过两并行接口和CPU通信。每个按键的状态同样需变成数字量“0”和“1”,开关的一端(列线)通过电阻接VCC,而接地是通过程序输出数字“0”实现的。键盘处理程序的任务是:确定有无键按下,判断哪一个键按下,键的功能是什么;还要消除按键在闭合或断开时的抖动。两个并行口中,一个输出扫描码,使按键逐行动态接地,另一个并行口输入按键状态,由行扫描值和回馈信号共同形成键编码而识别按键,通过软件查表,查出该键的功能。

5. 程序框图

图4.14.3

6. 汇编源程序
KEYBUF EQU 30H
ORG 00H
START: MOV KEYBUF,#2
WAIT:
MOV P3,#0FFH
CLR P3.4
MOV A,P3
ANL A,#0FH
XRL A,#0FH
JZ NOKEY1
LCALL DELY10MS
MOV A,P3
ANL A,#0FH
XRL A,#0FH
JZ NOKEY1
MOV A,P3
ANL A,#0FH
CJNE A,#0EH,NK1
MOV KEYBUF,#0
LJMP DK1
NK1: CJNE A,#0DH,NK2
MOV KEYBUF,#1
LJMP DK1
NK2: CJNE A,#0BH,NK3
MOV KEYBUF,#2
LJMP DK1
NK3: CJNE A,#07H,NK4
MOV KEYBUF,#3
LJMP DK1
NK4: NOP
DK1:
MOV A,KEYBUF
MOV DPTR,#TABLE
MOVC A,@A+DPTR
MOV P0,A

DK1A: MOV A,P3
ANL A,#0FH
XRL A,#0FH
JNZ DK1A
NOKEY1:
MOV P3,#0FFH
CLR P3.5
MOV A,P3
ANL A,#0FH
XRL A,#0FH
JZ NOKEY2
LCALL DELY10MS
MOV A,P3
ANL A,#0FH
XRL A,#0FH
JZ NOKEY2
MOV A,P3
ANL A,#0FH
CJNE A,#0EH,NK5
MOV KEYBUF,#4
LJMP DK2
NK5: CJNE A,#0DH,NK6
MOV KEYBUF,#5
LJMP DK2
NK6: CJNE A,#0BH,NK7
MOV KEYBUF,#6
LJMP DK2
NK7: CJNE A,#07H,NK8
MOV KEYBUF,#7
LJMP DK2
NK8: NOP
DK2:
MOV A,KEYBUF
MOV DPTR,#TABLE
MOVC A,@A+DPTR
MOV P0,A

DK2A: MOV A,P3
ANL A,#0FH
XRL A,#0FH
JNZ DK2A
NOKEY2:
MOV P3,#0FFH
CLR P3.6
MOV A,P3
ANL A,#0FH
XRL A,#0FH
JZ NOKEY3
LCALL DELY10MS
MOV A,P3
ANL A,#0FH
XRL A,#0FH
JZ NOKEY3
MOV A,P3
ANL A,#0FH
CJNE A,#0EH,NK9
MOV KEYBUF,#8
LJMP DK3
NK9: CJNE A,#0DH,NK10
MOV KEYBUF,#9
LJMP DK3
NK10: CJNE A,#0BH,NK11
MOV KEYBUF,#10
LJMP DK3
NK11: CJNE A,#07H,NK12
MOV KEYBUF,#11
LJMP DK3
NK12: NOP
DK3:
MOV A,KEYBUF
MOV DPTR,#TABLE
MOVC A,@A+DPTR
MOV P0,A

DK3A: MOV A,P3
ANL A,#0FH
XRL A,#0FH
JNZ DK3A
NOKEY3:
MOV P3,#0FFH
CLR P3.7
MOV A,P3
ANL A,#0FH
XRL A,#0FH
JZ NOKEY4
LCALL DELY10MS
MOV A,P3
ANL A,#0FH
XRL A,#0FH
JZ NOKEY4
MOV A,P3
ANL A,#0FH
CJNE A,#0EH,NK13
MOV KEYBUF,#12
LJMP DK4
NK13: CJNE A,#0DH,NK14
MOV KEYBUF,#13
LJMP DK4
NK14: CJNE A,#0BH,NK15
MOV KEYBUF,#14
LJMP DK4
NK15: CJNE A,#07H,NK16
MOV KEYBUF,#15
LJMP DK4
NK16: NOP
DK4:
MOV A,KEYBUF
MOV DPTR,#TABLE
MOVC A,@A+DPTR
MOV P0,A

DK4A: MOV A,P3
ANL A,#0FH
XRL A,#0FH
JNZ DK4A
NOKEY4:
LJMP WAIT
DELY10MS:
MOV R6,#10
D1: MOV R7,#248
DJNZ R7,$
DJNZ R6,D1
RET
TABLE: DB 3FH,06H,5BH,4FH,66H,6DH,7DH,07H
DB 7FH,6FH,77H,7CH,39H,5EH,79H,71H
END
7. C语言源程序
#include <AT89X51.H>
unsigned char code table[]={0x3f,0x06,0x5b,0x4f,
0x66,0x6d,0x7d,0x07,
0x7f,0x6f,0x77,0x7c,
0x39,0x5e,0x79,0x71};
unsigned char temp;
unsigned char key;
unsigned char i,j;


void main(void)
{
while(1)
{
P3=0xff;
P3_4=0;
temp=P3;
temp=temp & 0x0f;
if (temp!=0x0f)
{
for(i=50;i>0;i--)
for(j=200;j>0;j--);
temp=P3;
temp=temp & 0x0f;
if (temp!=0x0f)
{
temp=P3;
temp=temp & 0x0f;
switch(temp)
{
case 0x0e:
key=7;
break;
case 0x0d:
key=8;
break;
case 0x0b:
key=9;
break;
case 0x07:
key=10;
break;
}
temp=P3;
P1_0=~P1_0;
P0=table[key];
temp=temp & 0x0f;
while(temp!=0x0f)
{
temp=P3;
temp=temp & 0x0f;
}
}
}

P3=0xff;
P3_5=0;
temp=P3;
temp=temp & 0x0f;
if (temp!=0x0f)
{
for(i=50;i>0;i--)
for(j=200;j>0;j--);
temp=P3;
temp=temp & 0x0f;
if (temp!=0x0f)
{
temp=P3;
temp=temp & 0x0f;
switch(temp)
{
case 0x0e:
key=4;
break;
case 0x0d:
key=5;
break;
case 0x0b:
key=6;
break;
case 0x07:
key=11;
break;
}
temp=P3;
P1_0=~P1_0;
P0=table[key];
temp=temp & 0x0f;
while(temp!=0x0f)
{
temp=P3;
temp=temp & 0x0f;
}
}
}

P3=0xff;
P3_6=0;
temp=P3;
temp=temp & 0x0f;
if (temp!=0x0f)
{
for(i=50;i>0;i--)
for(j=200;j>0;j--);
temp=P3;
temp=temp & 0x0f;
if (temp!=0x0f)
{
temp=P3;
temp=temp & 0x0f;
switch(temp)
{
case 0x0e:
key=1;
break;
case 0x0d:
key=2;
break;
case 0x0b:
key=3;
break;
case 0x07:
key=12;
break;
}
temp=P3;
P1_0=~P1_0;
P0=table[key];
temp=temp & 0x0f;
while(temp!=0x0f)
{
temp=P3;
temp=temp & 0x0f;
}
}
}

P3=0xff;
P3_7=0;
temp=P3;
temp=temp & 0x0f;
if (temp!=0x0f)
{
for(i=50;i>0;i--)
for(j=200;j>0;j--);
temp=P3;
temp=temp & 0x0f;
if (temp!=0x0f)
{
temp=P3;
temp=temp & 0x0f;
switch(temp)
{
case 0x0e:
key=0;
break;
case 0x0d:
key=13;
break;
case 0x0b:
key=14;
break;
case 0x07:
key=15;
break;
}
temp=P3;
P1_0=~P1_0;
P0=table[key];
temp=temp & 0x0f;
while(temp!=0x0f)
{
temp=P3;
temp=temp & 0x0f;
}
}
}
}
}


以上资料来自于互联网!编辑整理:五一电子加油站;网址:http://51dz.com
欢迎光临五一电子商城!免费学习电子技术,面向全国邮购电子元件、实验套件!