内部有四个OTL功率放大器,工作电压10-26V,可以做成两个BTL功放,也可以做一个BTL+两个单声道功放(即2.1系统),适合做汽车功放IC,特别适合12V、24V通用,本站有采用这个芯片的汽车音响出售。
这是该芯片的内部方框图:

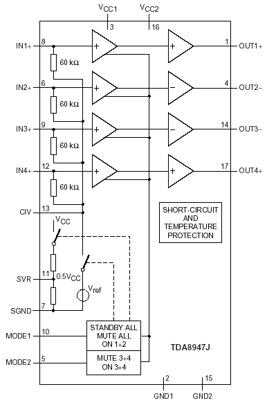
这是该芯片的引脚功能图:

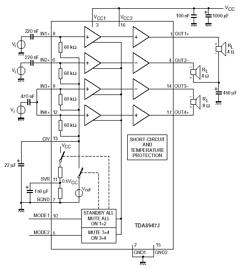
这是该芯片的典型应用图: (请大家注意喇叭的正负极性,本集成电路设计巧妙之处还在于,内部做有四个性能完全一样的OTL功放,但是内部已经完成了极性反转,所以,做BTL电路,只需要输入端直接并联即可!对于OTL电路应用,只需接线有相应的反接即可!)

更详细的应用请参考芯片手册:
 |
TDA8947J四声道25W功放.pdf |
200.40KB |
点击下载 |
本站有采用本芯片的汽车音响出售,该汽车音响用来替换采用磁带、CD的音响,该汽车音响可以播放SD卡或者U盘中的MP3音乐,12V和24电池的小车、货车均可使用。 SD卡/U盘/MP3/收音/功放车载一体机。
查看和发表评论 管理员一般会在8-48小时内回复,会删除无意义的留言以及重复留言,请保证留言标题清晰,内容明确! 1、评论不代表本站观点。 另外,即使是本站原创作品,本站也不保证内容绝对正确。 2、如果您拥有本文版权,并且不想在此处发表,请书面通知本站立即删除并且向您公开道歉! |