注意:访问本站需要Cookie和JavaScript支持!请设置您的浏览器! 打开购物车 查看留言付款方式联系我们
初中电子 单片机教材一 单片机教材二
搜索上次看见的商品或文章:
商品名、介绍 文章名、内容
首页 电子入门 学单片机 免费资源 下载中心 商品列表 象棋在线 在线绘图 加盟五一 加入收藏 设为首页
 商品分类
※ 电子制作套件 ※
入门初学套件· 单片机应用套件
无线对讲话筒· 数字钟数字电路
收音功放套件· 功放套件
电话门铃电平· 万用表电源
LED节能灯套件· 遥控开关报警
竞赛实训设计· 传感器类套件
贴片练习套件· 显示屏套件
※ 电子实验套件 ※
单片机编程器· 初学实验套件
单片机产品· 实验板元件
LCD模块下载· 面包板
※ 电子工具 ※
仪器仪表· 电钻/钻头
焊接固定· 镊钳螺丝刀
工具套装· 元件盒胶袋
※ 电子电路板 ※
万能线路板· 感光敷铜板
收音功放成品· 其它成品板
单片机类光板· 印刷电路光板
※ 电子元器件 ※
电阻· 电容
电位器可调电阻· 二极管
三极管· 发光二极管
可控硅· 场效应管
电感线圈· 晶振滤波器
蜂鸣压垫片· 保险管灯泡
数码管点阵· 继电器干簧管
※ 贴片元器件 ※
贴片二极管· 贴片电阻/容
贴片三极管· 贴片常用IC
贴片40/74系· 贴片电感开关
贴片单片机·
※ 五金塑胶线材 ※
开关· IC插座
插头插座· 杜邦插接件
旋钮· 热缩管
电动机· 电子导线
连接线· 散热片
螺丝弹簧· 电池盒扣
电子制作盒·
※ 集成电路IC ※
单片机芯片· CD40系列IC
配单片机IC· 74LS系列IC
74HC系列IC· 运放耦合器
收发功放IC· 电源稳压IC
音乐动物IC· LED芯片
※ 模组传感器 ※
特色传感模块· 无线模块开关
传感测试探头· 气温湿传感器
※ 日常电子产品 ※
电源变压器· 图书管资料
功放收音机· 其它产品
喇叭· 音响炮筒
※ 特价电子 ※
新品优惠· 特价商品
库存回收· 停止供货
当前位置: 首页 >>> 【图片版】 【图文版】 【文字版

注:为了提高网速,图片可能被压缩! 图片仅供参考!
1191调频收音电路板
商城价格:¥1.00 元  免费注册有礼送
贵宾价格:¥0.85 元  加入贵宾更优惠
单件重量:7 克(仅供参考,包装重量另计)
  货源充足 支持零售   加入收藏  我要评论
点这里将商品放入购物车 

如果您喜欢该商品,您可以放入购物车!当您选好商品后,您可以留下您的地址和电话并提交订单,本站会按顺序处理!

请您放心,提交订单并不表示必需购买。 提交订单仅仅是信息交流的一种方法,仅仅只代表了您临时的潜在需求,您完全可以决定不购买,并且不需要任何理由。

注:本站图片仅供参考!因各种原因,图片与实物不一定相符,不便之处敬请谅解!我们会尽快改良!

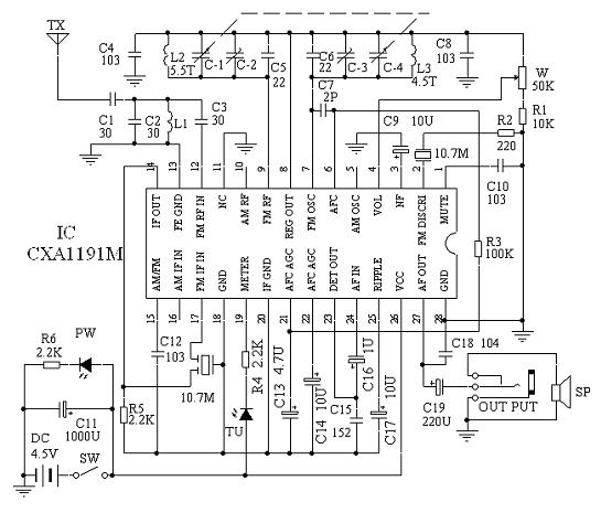
1191 FM(调频)收音套件, CXA1191是SONY公司开发的AM/FM收音机集成电路,本板只用FM接收部分。电路板规格:55×55mm,该集成电路灵敏度高,带调谐指示,电子音量控制及功率放大电路,和CXA1691可以直接互换。

参数说明:
工作电压:2-7.5V  静态电流:9mA  频率范围:88.0MHz--108.0MHz

 FM广播信号经天线接收后由C1、C2、C3、L1组成的带宽滤波电路滤波,除去88.0MHz--108.0MHz以外的信号,然后从IC的12脚输入到内部进行高频放大,再经9脚外围元件C5、PVC、L2选频回路选出要接收的广播信号去与7脚外接的C6、PVC、L3、C7组成的本振回路混频,从IC CXA1191的14输出10.7MHz的中频信号,经10.7MHz的中频滤波器滤掉10.7MHz以外的信号后从17脚输入到内部进行中频放大,后经内部电路和2脚所接的陶瓷晶振组成的鉴频电路鉴频,从23脚输出音频信号。23脚输出的音频信号很小,通过C16再从24脚送入内部进行音量控制、功率放大后,最后才从27脚输出,经C19推动喇叭发声。15脚为波段选择引脚, AM接收时接地,FM接收时接103瓷片电容对地。19脚为调谐指示引脚,收到一定强度的信号后输出低电平。4脚为电调音量控制端。

电路原理图和原理:


下面图片为本站装好的成品,你购买后,要通过自己装配才可以。

 

  装配注意事项:电路原理图中的C18陶瓷电容,不能按照线路板上的安装位置安装,必需按图示位置焊接在板背后。为什么?该电容主要用来给高频信号提供短路回路,以滤除残余在音频信号中的高频信号,改良音质的同时也有一定的去加重作用,但是,该电容的冷端(地线、公用线或者靠近地线、公用线的一般俗称为冷端)距离1191IC的地线路太长,高频信号在这段线路板上产生了较高的压降,该压降反馈到输入端,导致IC内部信号放大电路阻塞从而产生杂音。因此,大家以后在设计线路板时,一定要考虑信号的回路,每个信号都有自己电流回路,而信号之间最好不要互相影响。现在很多集成电路都是数字和模似混合集成电路,既有数字接地,又有模拟接地,有的还有前级地、后级地,大家在设计电路时一定要多花心思,必要时可以做试验再改良。

 


查看和发表评论
管理员一般会在8-48小时内回复,会删除无意义的留言以及重复留言,请保证留言标题清晰,内容明确!
1、评论不代表本站观点。 另外,即使是本站原创作品,本站也不保证内容绝对正确。
2、如果您拥有本文版权,并且不想在此处发表,请书面通知本站立即删除并且向您公开道歉!

2010年优惠大酬宾:凡在本商城免费注册并且提交订单购买商品者,本站都会例行赠送《电脑钻孔的万能线路板一》一块! 查看详情
本站协议 | 版权信息 |  关于我们 |  本站地图 |  营业执照 |  发票说明 |  付款方式 |  联系方式
深圳市宝安区西乡五壹电子商行——粤ICP备16073394号-1;地址:深圳西乡河西四坊183号;邮编:518102
E-mail:51dz$163.com($改为@);Tel:(0755)27947428
工作时间:9:30-12:00和13:30-17:30和18:30-20:30,无人接听时可以再打手机13537585389