注意:访问本站需要Cookie和JavaScript支持!请设置您的浏览器! 打开购物车 查看留言付款方式联系我们
初中电子 单片机教材一 单片机教材二
搜索上次看见的商品或文章:
商品名、介绍 文章名、内容
首页 电子入门 学单片机 免费资源 下载中心 商品列表 象棋在线 在线绘图 加盟五一 加入收藏 设为首页
本站推荐:
9. 一键多功能按键识别技术
文章长度[] 加入时间[2008/5/30] 更新时间[2026/2/10 23:49:42] 级别[0] [评论] [收藏]
 
1.实验任务
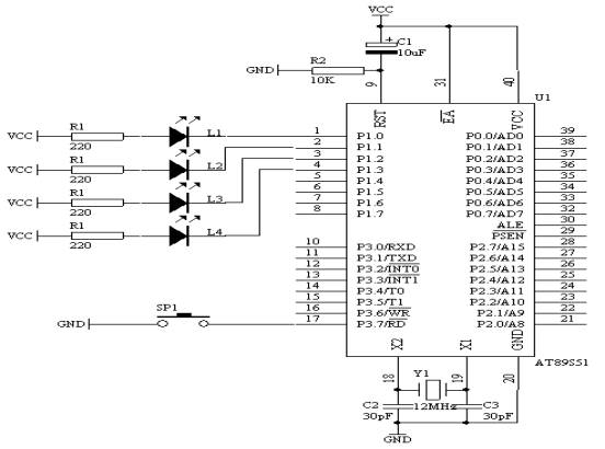
如图4.9.1所示,开关SP1接在P3.7/RD管脚上,在AT89S51单片机的P1端口接有四个发光二极管,上电的时候,L1接在P1.0管脚上的发光二极管在闪烁,当每一次按下开关SP1的时候,L2接在P1.1管脚上的发光二极管在闪烁,再按下开关SP1的时候,L3接在P1.2管脚上的发光二极管在闪烁,再按下开关SP1的时候,L4接在P1.3管脚上的发光二极管在闪烁,再按下开关SP1的时候,又轮到L1在闪烁了,如此轮流下去。
2.电路原理图
图4.9.1
3.系统板上硬件连线
(1.       把“单片机系统”区域中的P3.7/RD端口连接到“独立式键盘”区域中的SP1端口上;
(2.       把“单片机系统”区域中的P1.0-P1.4端口用8芯排线连接到“八路发光二极管指示模块”区域中的“L1-L8”端口上;要求,P1.0连接到L1,P1.1连接到L2,P1.2连接到L3,P1.3连接到L4上。
4.程序设计方法
(1.       设计思想由来
在我们生活中,我们很容易通过这个叫张三,那个叫李四,另外一个是王五;那是因为每个人有不同的名子,我们就很快认出,同样,对于要通过一个按键来识别每种不同的功能,我们给每个不同的功能模块用不同的ID号标识,这样,每按下一次按键,ID的值是不相同的,所以单片机就很容易识别不同功能的身份了。
(2.       设计方法
从上面的要求我们可以看出,L1到L4发光二极管在每个时刻的闪烁的时间是受开关SP1来控制,我们给L1到L4闪烁的时段定义出不同的ID号,当L1在闪烁时,ID=0;当L2在闪烁时,ID=1;当L3在闪烁时,ID=2;当L4在闪烁时,ID=3;很显然,只要每次按下开关K1时,分别给出不同的ID号我们就能够完成上面的任务了。下面给出有关程序设计的框图。
5.程序框图
图4.9.2
6.汇编源程序
ID                                 EQU 30H
SP1                               BIT P3.7
L1                                 BIT P1.0
L2                                 BIT P1.1
L3                                 BIT P1.2
L4                                 BIT P1.3
                                     ORG 0
                                     MOV ID,#00H
START:                        JB K1,REL
                                     LCALL DELAY10MS
                                     JB K1,REL
                                     INC ID
                                     MOV A,ID
                                     CJNE A,#04,REL
                                     MOV ID,#00H
REL:                    JNB K1,$
                                     MOV A,ID
                                     CJNE A,#00H,IS0
                                     CPL L1
                                     LCALL DELAY
                                     SJMP START
IS0:                               CJNE A,#01H,IS1
                                     CPL L2
                                     LCALL DELAY
                                     SJMP START
IS1:                               CJNE A,#02H,IS2
                                     CPL L3
                                     LCALL DELAY
                                     SJMP START
IS2:                               CJNE A,#03H,IS3
                                     CPL L4
                                     LCALL DELAY
                                     SJMP START
IS3:                               LJMP START
DELAY10MS:    MOV R6,#20
LOOP1:                        MOV R7,#248
                                     DJNZ R7,$
                                     DJNZ R6,LOOP1
                                     RET
DELAY:                        MOV R5,#20
LOOP2:                        LCALL DELAY10MS
                                     DJNZ R5,LOOP2
                                     RET
                                     END
7.C语言源程序
#include <AT89X51.H>
unsigned char ID;
void delay10ms(void)
{
  unsigned char i,j;
  for(i=20;i>0;i--)
  for(j=248;j>0;j--);
}
void delay02s(void)
{
  unsigned char i;
  for(i=20;i>0;i--)
    {delay10ms();
    }
}
void main(void)
{ while(1)
    { if(P3_7==0)
        {delay10ms();
          if(P3_7==0)
            {
              ID++;
              if(ID==4)
                {
                  ID=0;
                }
              while(P3_7==0);
            }
        }
      switch(ID)
        { case 0:
            P1_0=~P1_0;
            delay02s();
            break;
          case 1:
            P1_1=~P1_1;
            delay02s();
            break;
          case 2:
            P1_2=~P1_2;
            delay02s();
            break;
          case 3:
            P1_3=~P1_3;
            delay02s();
            break;
        }
    }
1、 本站不保证以上观点正确,就算是本站原创作品,本站也不保证内容正确。
2、如果您拥有本文版权,并且不想在本站转载,请书面通知本站立即删除并且向您公开道歉! 以上可能是本站收集或者转载的文章,本站可能没有文章中的元件或产品,如果您需要类似的商品请 点这里查看商品列表!
本站协议 | 版权信息 |  关于我们 |  本站地图 |  营业执照 |  发票说明 |  付款方式 |  联系方式
深圳市宝安区西乡五壹电子商行——粤ICP备16073394号-1;地址:深圳西乡河西四坊183号;邮编:518102
E-mail:51dz$163.com($改为@);Tel:(0755)27947428
工作时间:9:30-12:00和13:30-17:30和18:30-20:30,无人接听时可以再打手机13537585389