注意:访问本站需要Cookie和JavaScript支持!请设置您的浏览器! 打开购物车 查看留言付款方式联系我们
初中电子 单片机教材一 单片机教材二
搜索上次看见的商品或文章:
商品名、介绍 文章名、内容
首页 电子入门 学单片机 免费资源 下载中心 商品列表 象棋在线 在线绘图 加盟五一 加入收藏 设为首页
本站推荐:
三管调频无线话筒的制作
文章长度[2019] 加入时间[2007/1/4] 更新时间[2026/2/9 14:54:54] 级别[0] [评论] [收藏]
作者:孙迪民 来源:《电子制作》

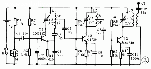
  该话筒采用直接调频方式,中心频率为90MHz,发射功率约0.5W,最大频偏士50kHz,发射距离不小于50米。
  电路方框图
  其方框图及原理图如图1、2所示。驻极体话筒产生的音频信号作用于调制器T1的发射结作为调制电压。该电压的大小直接改变着晶体管发射结的结电容,结电容作为回路参数的一部分,其fo约在45MHz左右,经过倍频使输出频率提高到90MHz左右,该调频信号经高频功放放大后,由天线发射出去。

  电路原理

  调制信号由话筒M(CRZ-22)经C1耦合至调制器的基极,R1为话筒M的负载电阻。 调制器由T1、R2、R3、C2、C3、C4、C6和L1组成共基极电
容三点式振荡电路。该电路由于基极接有C2,对高频是基极接地,对音频则是集电极接地(集电极经L1接电源),集电结电容Cc实际上并联在振荡回路两端,因此,随音频信号变化,振荡频率也相应变化,从而获得调频信号。
  电路特点
  1.调制器采用直接调频法,其频率稳定可靠。
  2.采用驻极体电容式话筒。该话筒内藏有一只场效应管组成射随器,其灵敏度较高,频响宽,采用此话筒可不加音频放大器即可得到幅度适当的调制电压。
  3.各级均有调整元件,调试方便。T1可调C3以改变频率,T2可调C7以得到倍频频率,T3可调C10以获得最大输出。
  制作调试

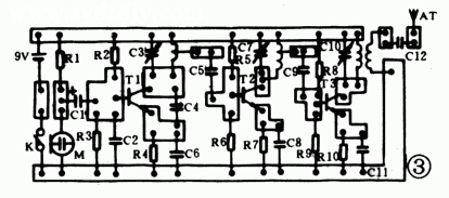
  线路印刷板图如图3所示,印板尺寸可根据所需缩放。晶体管、电阻、电容、话筒可按图2所给数据选用;电池可用9V叠层电池;L1、L2、L3可用Φ0.33漆包线绕制,天线可用约20cm长的带皮软电线;K用钮子开关。
  调试时按如下步骤进行
  1.检查焊接好的电路板,确保装接无误后.先测量一下正负电源之间的静态电阻有无短路或开路现象。
  2.测总电流。通电测量总电流约为50mA左右,用镊子短路T1的b、e极或短路C3,其电流应有明显变化,再短路T2和T3的b、e极亦应有较明显的变化。
  3.测载频。用超高频毫伏表测量T2的b极与地之间应有几伏特的高频电压,用数字频率计观测,凋整C3可调到45MHz左右的载波频率。用同样的方法测试T3基极,调整C7应能得到90MHz的载波频率。再将频率计和超高频电压表跨接到天线对地之间,调整C10使频率为90MHz,电压达到最大值即可。这样,载波频率就调整完毕。
  4.调制电压测量。先短路C3,用毫伏表跨接在R4两端,对准话筒喊话,应有交流电压指示,说明话筒和T1工作正常。
   如无仪器也可按上述步骤,边试接收,边反复调整C3、C7、C10,直到接收距离较远,声音失真最小为止。

1、 本站不保证以上观点正确,就算是本站原创作品,本站也不保证内容正确。
2、如果您拥有本文版权,并且不想在本站转载,请书面通知本站立即删除并且向您公开道歉! 以上可能是本站收集或者转载的文章,本站可能没有文章中的元件或产品,如果您需要类似的商品请 点这里查看商品列表!
本站协议 | 版权信息 |  关于我们 |  本站地图 |  营业执照 |  发票说明 |  付款方式 |  联系方式
深圳市宝安区西乡五壹电子商行——粤ICP备16073394号-1;地址:深圳西乡河西四坊183号;邮编:518102
E-mail:51dz$163.com($改为@);Tel:(0755)27947428
工作时间:9:30-12:00和13:30-17:30和18:30-20:30,无人接听时可以再打手机13537585389