| 注意:访问本站需要Cookie和JavaScript支持!请设置您的浏览器! • 打开购物车 • 查看留言 • 付款方式 • 联系我们 |
![]() |
| 首页 | 电子入门 | 学单片机 | 免费资源 | 下载中心 | 商品列表 | 象棋在线 | 在线绘图 | 加盟五一 | 加入收藏 | 设为首页 |
| 选择分类:当前分类——电子入门 相关联或者相类似的文章: [转帖]给燃气热水器增加外接电源(606) [分享]晶闸管(604) 如何选购数码录音笔(602) 直流稳压电源电路 (600) 电感的总结(600) 电容容量的数字标注解释(599) 滤波(596) 电 感 基 础 知 识(593) 简单的稳压电路(591) 用望闻问切的方法检修电冰箱(586) 放大器的类别(582) 射极耦合双稳态电路(582) ++ 自制永磁螺丝刀(起子) +(582) 数字电路和模拟电路(579) 电阻详细讲解(578) 一种单片机双工无线串行传输方案(578) 详细讲解:LED发光二极管(578) ++ 提高压电陶瓷片响度简法 +(578) 变压器的转换效率(577) 电话线上的电压、电流(572) 首页 前页 后页 尾页 本站推荐: | 射极耦合双稳态电路
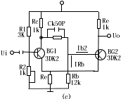
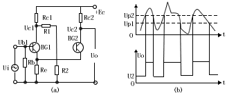
为使BG2可靠地饱和,RB应选得较大,通常取IRB=(0.2-1)I ![]() 图3、射极耦合双稳态的设计电路 1、 本站不保证以上观点正确,就算是本站原创作品,本站也不保证内容正确。 2、如果您拥有本文版权,并且不想在本站转载,请书面通知本站立即删除并且向您公开道歉! | |||||||||||||||||||||||||||||||||
|
本站协议 |
版权信息 |
关于我们 |
本站地图 |
营业执照 |
发票说明 |
付款方式 |
联系方式
深圳市宝安区西乡五壹电子商行——粤ICP备16073394号-1;地址:深圳西乡河西四坊183号;邮编:518102 E-mail:51dz$163.com($改为@);Tel:(0755)27947428 工作时间:9:30-12:00和13:30-17:30和18:30-20:30,无人接听时可以再打手机13537585389 |