注意:访问本站需要Cookie和JavaScript支持!请设置您的浏览器! 打开购物车 查看留言付款方式联系我们
初中电子 单片机教材一 单片机教材二
搜索上次看见的商品或文章:
商品名、介绍 文章名、内容
首页 电子入门 学单片机 免费资源 下载中心 商品列表 象棋在线 在线绘图 加盟五一 加入收藏 设为首页
本站推荐:
[推荐]如何学好电子
文章长度[1099] 加入时间[2006/7/1] 更新时间[2026/5/8 12:11:55] 级别[3] [评论] [收藏]

电子这个东东非常有趣,几个电子元器件不同的连接就会有不同的功能,发声、发光、自动化、无线化等等,是老中小皆宜的玩伴儿,呵呵!要想把它搞会还真得下一番功夫,首先咱得有兴趣,其次咱得有时间,再者咱得有点银子,哈哈…根据本人学习经历并结合众多电子大虾们的成功经验特为初学电子的朋友制定如下学习计划与步骤。

一、做些电子小东东玩一下
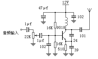
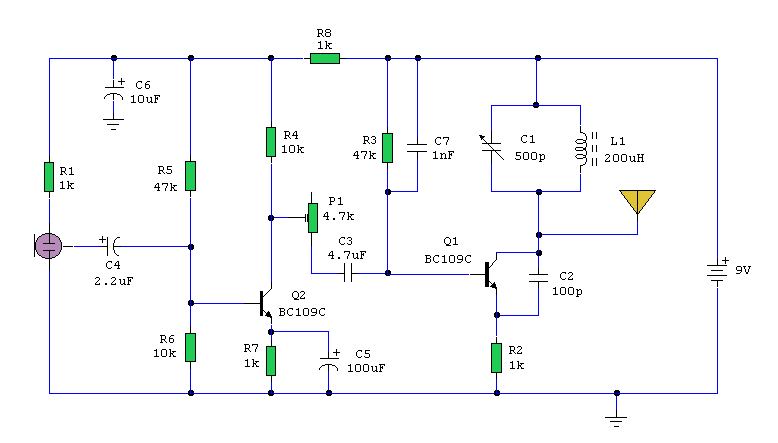
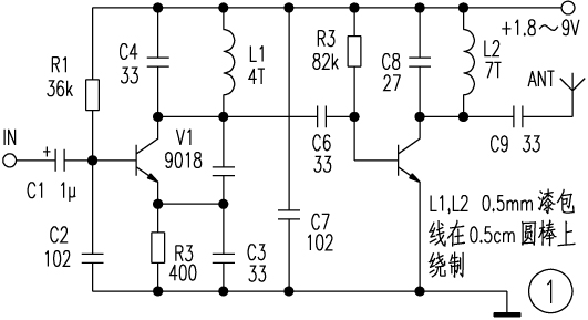
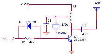
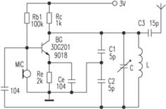
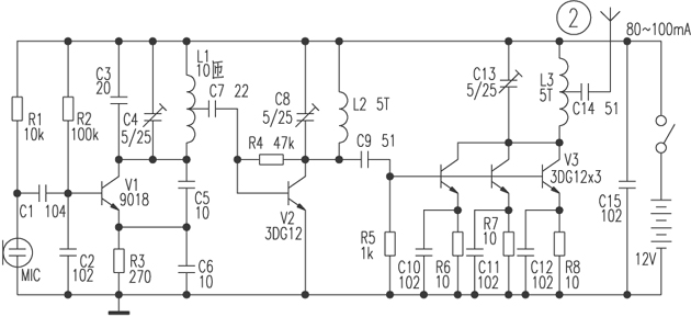
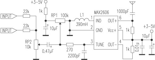
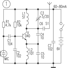
  用一把电烙铁、几个电子元器件,在电路板上组装一个报警器、收到音机、无线话筒或者是小功放先好好玩一下,这个过程中你无需知道电路原理,只要搞清电阻的大小,晶体管的极性及按电路图连接就OK了。
  如果你喜欢上了电子这个东东,还想做更有趣更复杂的东东,就进入下一步,否则就退出这个游戏,呵呵

二、学习元器件特性、模电与数电
  购置扩容性好一点的电子实验套件(或电子积木)、万用表及常用的电子工具就可以开始学习电子技术了。参考《电子技术工艺基础》、《电子技术基础》(陈振源主编)、《无线电爱好者读本》等教材从元器件到模拟电路再到数字电路,一步一个脚印,只要兴趣不断,学习就会一直向前,直到精通。当然这个过程中也少不了电子制作,通过制作巩固所学内容。
  到此为止,你基本算上一个行家里手了,照图纸做一个东东,调试电路,扩展电路,简单故障排除都能得心应手了。玩电子已不成问题,想成为高手或这方面的专家还得进入下一步哟,否则退出游戏,呵呵

三、高手进阶,根据爱好或具体情况选择学习项目
  人心没足矣,等你真正达到以上程度时,你肯定不会感到满足的,不过这个时候,你已经有了主攻方向了,有的想自己搞个东东出来,有的想搞家电维修,还有的想从商(当然这是后话,不在专业之内)…….
  我的建议是你先得把单片机搞懂,单片机东东是模拟与数字、软件与硬件的综合,只有把这块吃通了,无论你走哪个渠道都可称得上专家了…….哈哈,闲扯了这么多,也许相当多的虾客们开始骂俺了,意在交流,无任何政治目的,最后还是要祝愿我们锦涛同志把咱中国搞好了…….

  本人水平有限,错误不足再所难免,恳请各路电子大虾们批评指正,片面之词仅供参考,如有雷同纯属巧合!
                        作者:Topmanazhi(肖遥)

1、 本站不保证以上观点正确,就算是本站原创作品,本站也不保证内容正确。
2、如果您拥有本文版权,并且不想在本站转载,请书面通知本站立即删除并且向您公开道歉! 以上可能是本站收集或者转载的文章,本站可能没有文章中的元件或产品,如果您需要类似的商品请 点这里查看商品列表!
本站协议 | 版权信息 |  关于我们 |  本站地图 |  营业执照 |  发票说明 |  付款方式 |  联系方式
深圳市宝安区西乡五壹电子商行——粤ICP备16073394号-1;地址:深圳西乡河西四坊183号;邮编:518102
E-mail:51dz$163.com($改为@);Tel:(0755)27947428
工作时间:9:30-12:00和13:30-17:30和18:30-20:30,无人接听时可以再打手机13537585389