注意:访问本站需要Cookie和JavaScript支持!请设置您的浏览器! 打开购物车 查看留言付款方式联系我们
初中电子 单片机教材一 单片机教材二
搜索上次看见的商品或文章:
商品名、介绍 文章名、内容
首页 电子入门 学单片机 免费资源 下载中心 商品列表 象棋在线 在线绘图 加盟五一 加入收藏 设为首页
本站推荐:
双50W数字功放TDA8902J
文章长度[492] 加入时间[2006/7/1] 更新时间[2026/3/26 16:11:02] 级别[3] [评论] [收藏]

2003年,第6期,类别:音响技术


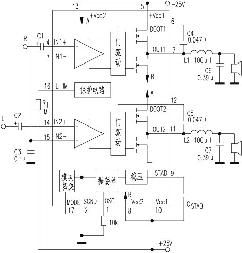
  TDA8902J是飞利浦公司最近推出的一款2×50W立体声数字功放IC。它的主要技术指标:电源±10V~±40V,典型工作电压为±25V;静态电流约35mA;当电源电压为±25V,负载为8Ω时,输出功率2×30W;当电源电压为±30V时,可输出2×50W;信号频率f为1kHz、输出1W时,失真为0.1%,总谐波失真为0.2%;电压增益为30dB;开关频率为500kHz。它很适合用于高级音响设备中作功放。
  如果将TDA8901J接成BTL状态,电源电压为±25V,最大输出功率约130W。
  下图为该IC的内部结构及2×50W的应用电路。

                                    湖南  廖建兴



1、 本站不保证以上观点正确,就算是本站原创作品,本站也不保证内容正确。
2、如果您拥有本文版权,并且不想在本站转载,请书面通知本站立即删除并且向您公开道歉! 以上可能是本站收集或者转载的文章,本站可能没有文章中的元件或产品,如果您需要类似的商品请 点这里查看商品列表!
本站协议 | 版权信息 |  关于我们 |  本站地图 |  营业执照 |  发票说明 |  付款方式 |  联系方式
深圳市宝安区西乡五壹电子商行——粤ICP备16073394号-1;地址:深圳西乡河西四坊183号;邮编:518102
E-mail:51dz$163.com($改为@);Tel:(0755)27947428
工作时间:9:30-12:00和13:30-17:30和18:30-20:30,无人接听时可以再打手机13537585389