| 注意:访问本站需要Cookie和JavaScript支持!请设置您的浏览器! • 打开购物车 • 查看留言 • 付款方式 • 联系我们 |
![]() |
| 首页 | 电子入门 | 学单片机 | 免费资源 | 下载中心 | 商品列表 | 象棋在线 | 在线绘图 | 加盟五一 | 加入收藏 | 设为首页 |
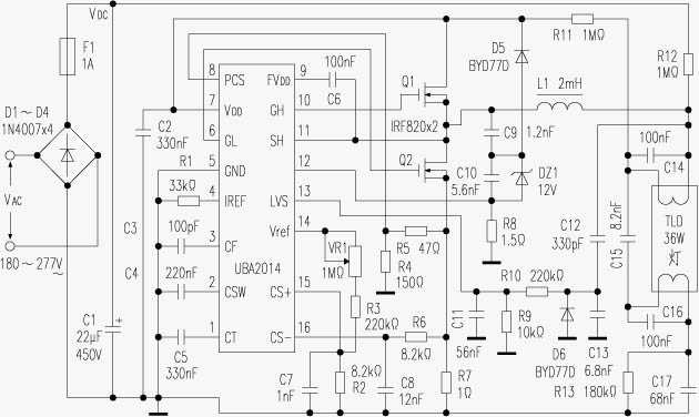
| 选择分类:当前分类——小说笑话 相关联或者相类似的文章: 感光线路板的制作技巧(103) ATX电源辅助电路原理与检修(101) 三菱 PLC梯型图(指令编码)反汇编程序-----开源 PLC 编程重点参考资料 (99) 简易8路数显抢答器制作过程(99) Cookies常用命令简介(99) 某君上馆子去吃鲱鱼(99) 三菱FX系列PLC编程口通信协议总览(99) [精]5分钟编写一个ASP论坛(99) 方便、实用、小巧的摄像头照相、录像软件(99) 80后从盗卖脏物到人间蒸发赖帐逃欠款(99) 一名漂泊在外的蚁族写给父亲的忏悔信(99) 如何节约程序开发中的时间(99) 四芯耳机插头(95) AT89C系列单片机加密方式(94) 加入本站送创业资金!绝对真实(93) 用互补管制作电灯轻触开关(93) 认为本站产品价格贵的朋友必看(91) 电子工程师面试常被问到的问题(89) 简单实用的遥控开关(85) 各地消费者协会网址、投诉电话一览表(82) 首页 前页 后页 尾页 本站推荐: | 用UBA2014的电子镇流器
此电子镇流器的AC输入电压允许达277V,适当调节电感元件(L1)的参数,可配接20~60W的荧光灯。UBA2014由飞利浦公司推出。 1、 本站不保证以上观点正确,就算是本站原创作品,本站也不保证内容正确。 2、如果您拥有本文版权,并且不想在本站转载,请书面通知本站立即删除并且向您公开道歉! |
|
本站协议 |
版权信息 |
关于我们 |
本站地图 |
营业执照 |
发票说明 |
付款方式 |
联系方式
深圳市宝安区西乡五壹电子商行——粤ICP备16073394号-1;地址:深圳西乡河西四坊183号;邮编:518102 E-mail:51dz$163.com($改为@);Tel:(0755)27947428 工作时间:9:30-12:00和13:30-17:30和18:30-20:30,无人接听时可以再打手机13537585389 |