注意:访问本站需要Cookie和JavaScript支持!请设置您的浏览器! 打开购物车 查看留言付款方式联系我们
初中电子 单片机教材一 单片机教材二
搜索上次看见的商品或文章:
商品名、介绍 文章名、内容
首页 电子入门 学单片机 免费资源 下载中心 商品列表 象棋在线 在线绘图 加盟五一 加入收藏 设为首页
本站推荐:
微型PIC16F84编程器的制作
文章长度[1202] 加入时间[2006/7/1] 更新时间[2026/5/30 2:48:10] 级别[3] [评论] [收藏]

2003年,第11期,类别:智能电子


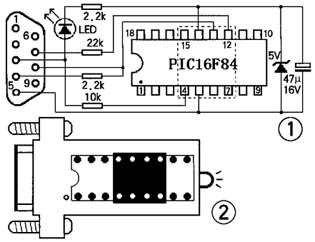
    今年《电子报》第3期第十二版发表了笔者《自制PIC16F84单片机学习套件》一文后,有很多朋友来信询问PIC16F84编程器的制作方法,这里给大家介绍一款微型PIC16F84编程器。该编程器体积小巧,成本极低(不超过5元),制作也很容易。
    一、制作
    电路如图1。制作方法如下:
    1. 找一串口电缆,撬开一端插头后去掉所有电缆;
    2. 在一侧外壳上挖一个8脚IC插座大小的方孔,将8脚IC插座用胶贴到上面,注意要在同一平面上;
    3. 按电路直接将所有元件焊上,把LED发光二极管从插头的出线孔中伸出;
    4. 合上插头外壳,在外壳上的相应位置另钻十个小孔即告完成(如图2所示)。
    二、使用
    将此编程器直接插在计算机的串口上,然后用编程软件将程序写入即可,尤其是有笔记本电脑的朋友使用起来更方便。

                                                                        湖北  曾凡若



 

1、 本站不保证以上观点正确,就算是本站原创作品,本站也不保证内容正确。
2、如果您拥有本文版权,并且不想在本站转载,请书面通知本站立即删除并且向您公开道歉! 以上可能是本站收集或者转载的文章,本站可能没有文章中的元件或产品,如果您需要类似的商品请 点这里查看商品列表!
本站协议 | 版权信息 |  关于我们 |  本站地图 |  营业执照 |  发票说明 |  付款方式 |  联系方式
深圳市宝安区西乡五壹电子商行——粤ICP备16073394号-1;地址:深圳西乡河西四坊183号;邮编:518102
E-mail:51dz$163.com($改为@);Tel:(0755)27947428
工作时间:9:30-12:00和13:30-17:30和18:30-20:30,无人接听时可以再打手机13537585389