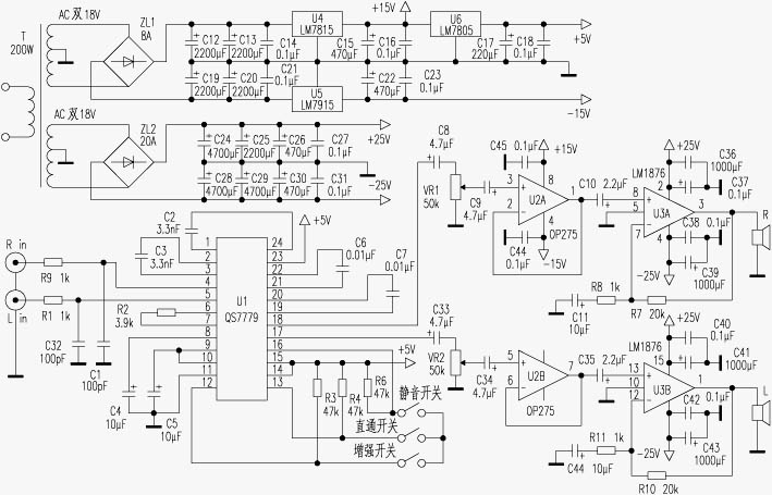
| 选择分类:当前分类——当前分类 相关联或者相类似的文章: 用万用表测可控硅(197) 100W纯直流高保真功放(196) 微型PIC16F84编程器的制作(195) “永动摆”演示电路(195) 用运放驱动的高性能功放(194) 电视机改制音频示波器(转载,英文)(192) 从内部寻找人才(190) 用89C2051制作八路断线数显报警器(188) 电子实验板放大图片!我请人拍的照(185) 感抗与容抗计算器(182) 实验直流日光灯电路(182) 判别红外接收头引脚方法(178) Hi-Fi配音控制放大器制作(176) 制作无线鼠标(175) 单片机七彩心形流水灯套件(172) 自制PIC16F84单片机学习套件(170) 具有识别功能的电子门铃(169) 用与非门制作的电子蜡烛(168) 制作LED灯的应知事项(168) 淘宝上的生意真难做,再见吧,淘宝!(166) 首页 前页 后页 尾页 本站推荐: | 多媒体Hi-Fi功放DIY 2003年,第5期,类别:专业音响 近年来,随着PC机的普及和DVD-ROM的价格下降,用PC机听音乐看影碟已成一种享受。其次是“金耳朵”和“银耳朵”的大量涌现,对PC机的音质要求越来越高。但对于动辄上千的高档有源系统,囊中“羞涩”的我们只能望而却步。于是笔者DIY了一套在PC上听Hi-Fi音乐的多媒体有源功放。 1、 本站不保证以上观点正确,就算是本站原创作品,本站也不保证内容正确。 2、如果您拥有本文版权,并且不想在本站转载,请书面通知本站立即删除并且向您公开道歉! |